
Program regulatora przepływów - odpływ Technologia
Wstęp
Regulator przepływu realizuje funkcję utrzymania stałej temperatury wyjściowej TwyT (wartość wyświetlana na wyświetlaczu stałym) oraz ciśnienia dyspozycyjnego DPT (funkcja 12) na wyjściu odpływu Technologia.
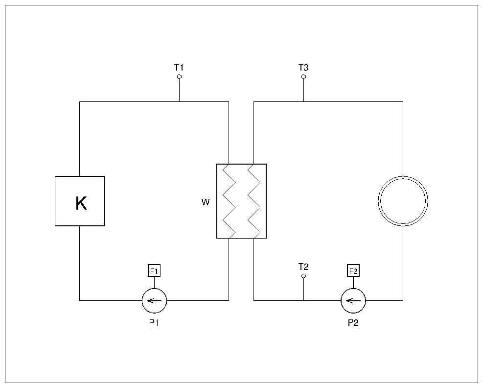
Schemat układu technologicznego wyjścia Technologia
Pełny schemat układu technologicznego ciepłowni zamieszczony jest pod adresem http://www.szarp.com.pl/schematy/Dobre_Miasto_schemat.pdf. Poniżej zamieszczamy uproszczony schemat odpływu Technologia.
gdzie
T1 - TiwT, temperatura wody wejściowej na wymienniku po stronie wysokiego parametru
T2 - TinT, temperatura wody wejściowej na wymienniku po stronie niskiego parametru
T3 - TwyT, temperatura wody wyjściowej na Technologia
F1 - imwT, falownik pompy wysokiego parametru
F2 - imoT, falownik pompy obiegowej
P1 - PWT, pompa wysokiego parametru
P2 - POT, pompa obiegowa
Tryby pracy regulatora oraz przełączanie między nimi
Regulator może pracować w jednym z trzech trybów pracy, które są wybierane przy pomocy trójpozycyjnego przełącznika. Dostępne są następujące tryby pracy:
Przełączanie z trybu pracy ręcznej do trybu synchronizacji jest kłopotliwym przełączeniem. W trybie synchronizacji regulator powiela sygnał z wejścia analogowego na wyjście prądowe, a w trybie pracy ręcznej jest elektrycznie odcięty od sygnałów z zadajników, dlatego też, zanim regulator zacznie prawidłowo powtarzać sygnał do falowników, musi go dokładnie zmierzyć. Z uwagi na filtracje przeciwzakłóceniowe dokładny pomiar sygnału prądowego z zadajnika zajmuje kilka sekund od momentu jego elektrycznego podłączenia do regulatora, które ma miejsce w tym przełączeniu. W przypadku źle zaprogramowanych falowników (jeśli zamiast lotnego startu mają ustawiony start po całkowitym zatrzymaniu) lub zaprogramowanego zbyt krótkiego czasu zwalniania (poniżej 10 sekund) przy zaniku prądowego sygnału sterującego, przełączenie to może nawet doprowadzić do chwilowego odstawienia falowników. Wówczas należy natychmiast załączyć je ponownie. Przełączenie to nie wymaga dodatkowych operacji.
Przełączanie z trybu synchronizacji do trybu pracy ręcznej jest operacją nie wymagającą żadnych dodatkowych czynności. Przełączenie inaczej niż w powyższym przypadku praktycznie nie powoduje zaniku sygnału sterującego wysyłanego do falowników - elektryczne odcięcie sterownika z obwodu regulacji odbywa się na tyle szybko, że pozostaje właściwie niezauważone przez falowniki.
Przełączanie z trybu synchronizacji do trybu pracy automatycznej może wiązać się z gwałtowną zmianą wysterowania falowników pomp poprzecznych i obiegowych, gdy zadane wartości wysterowań nie są prawidłowo ustawione. Aby przełączenie było łagodne, należy sprawdzić poprawność wszystkich parametrów jeszcze w trybie synchronizacji.
Algorytm regulacji ciśnienia dyspozycyjnego i temperatury
Algorytm utrzymuje ciśnienie dyspozycyjne DPT (funkcja 12) w zakresie stałych widełek odchyłki od ciśnienia dyspozycyjnego odniesienia (funkcja 10) o +/- 0.007 MPa. Gdy aktualna wartość ciśnienia dyspozycyjnego DPT (funkcja 12) jest większa od górnej granicy widełek DPgT, skokowo zmniejszane jest wysterowanie falownika pompy obiegowej imoT, przy czym skok wysterowania pompy obiegowej jest taki, jaki został zaprogramowany na funkcji 90. Jeśli temperatura wyjściowa TwyT (wartość wyświetlana na wyświetlaczu stałym) jest większa o więcej niż 1°C od temperatury odniesienia TodT, która jest programowaną paczką czasową (funkcja 10), następuje skokowe zmniejszenie wysterowania pompy wysokiego parametru imwT. Skok wysterowania pompy wysokiego parametru imwT jest programowalny na funkcji 91. Przedstawiony powyżej algorytm sterowania pompami jest symetryczny tzn. gdy warunki zostaną zmienione na przeciwne, sterowanie pompami będzie odwrotne.
Znaczenie poszczególnych funkcji
Wyświetlacz stały [TEMPERATURA WYJ] - Temp. wyjściowa - Temperatura wody wyjściowej do sieci c.o. (Twy4) [°C] - Pomiar z czujnika Pt100, zakres przetwarzania 0..200°C, wejście 11.
00 - Temp. odniesienia - Zadana temperatura wody wyjściowej (Tod4) [°C] - Wartość temperatury odniesienia będąca sumą aktualnej temperatury wyjściowej z ciepłowni (funkcja 23) i zadanej odchyłki temperatury sterującej (funkcja 22).
01 - Temp. powrotna - Temperatura wody powrotnej z sieci c.o. (Tpow4) [°C] - Aktualna temperatura widy powracającej do ciepłowni. Pomiar - czujnik Pt100, zakres przetwarzania 0..150 °C
02 - Wyst. fal. p. ob. - Aktualne wysterowanie falownika pompy obiegowej (imo4) [%] - Aktualna, procentowa wartość wysterowania pompy obiegowej. Wysterowanie przekłada się liniowo na częstotliwość tzn. każda zmiana wysterowania o 1 % oznacza zmianę częstotliwości o 0.5 Hz
03 - Wysterowanie fal. pompy obiegowej z zadajnika (izo4) [%] - Ta wartość jest podawana na falownik pompy obiegowej, gdy przełącznik trybu pracy znajduje się w pozycji "1 - Praca ręczna" lub pozycji "2 - Synchronizacja".
04 - Wyst. fal. p. WP - Aktualne wysterowanie falownika pompy w.p. (imWT) [%] - Funkcja 02 dla pompy wysokiego parametru
05 - Wysterowanie fal. pompy w.p. z zadajnika (ImWT) [%] - Funkcja 03 dla pompy wysokiego parametru
06 - Wyst. fal. p. w.p. - Aktualne wysterowanie falownika pompy w.p. wym. (imw) [%] - Funkcja 02 dla pompy wysokiego parametru wymienników kompaktowych
07 - Wysterowanie fal. pompy w.p. wym. z zadajnika (Iw4) [%] - Funkcja 03 dla pompy wysokiego parametru wymienników kompaktowych
10 - zadane ciśnienie dyspozycyjne [MPa] - Parametr programowalny w postaci paczki czasowej 10, określa wartość ciśnienia dyspozycyjnego do utrzymania.
11 - Min. ciśnienie dysp. - Minimalne ciśnienie dyspozycyjne (DPd4) [MPa] - Dolne widełki ciśnienia dyspozycyjnego, ich wartość jest wyliczana na podstawie algorytmu opisanego w punkcie Algorytm regulacji ciśnienia dyspozycyjnego i temperatury
12 - Ciśnienie dysp. - Aktualne ciśnienie dyspozycyjne (DP4) [MPa] - Wartość uzyskana przez odjęcie wartości ciśnienia wyjściowego (funkcja 14) i ciśnienia powrotu (funkcja 15)
13 - Max. ciśnienie dysp. - Maksymalne ciśnienie dyspozycyjne (DPg4) [MPa] - Funkcja 11 liczona dla górnej granicy widełek.
14 - Ciśnienie zasilania - Ciśnienie wody zasilającej sieć c.o. (Pza4) [MPa] - Pomiar przetwornikiem ciśnienia. Zakres pomiarowy 0.6 MPa, sygnał 4..20 mA.
15 - Ciśnienie powrotu - Ciśnienie wody powrotnej z sieci c.o. (Ppw4) [MPa] - Pomiar przetwornikiem ciśnienia. Zakres pomiarowy 0.6 MPa, sygnał 4..20 mA.
20 - Wydajność Technologia - Moc wyjściowa (Qwy4) [MW] - Aktualna wartość mocy, obliczona na podstawie Temperatury wyjściowej (Wartość na wyświetlaczu stałym), temperatury powrotnej (funkcja 01, i aktualnego przepływu (funkcja 30)
30 - aktualny przepływ [t/h] - Pomiar przetwornikiem przepływu: sygnał 4..20 mA, zakres 0..500.0 t/h
60 - Temp. zas. w.p. wym. - Temperatura zasilania w.p. wymiennik (Twz) [°C] - Aktualna temperatura wody wejściowej na wymienniku po stronie wysokiego parametru.
61 - Temp. pow. w.p. wym. - Temperatura powrotu w.p. wymiennik (Twp) [°C] - Aktualna temperatura wody wyjściowej na wymienniku po stronie wysokiego parametru.
62 - Temp. zas. n.p. wym. - Temperatura zasilania n.p. wymiennik (Tnz) [°C] - Aktualna temperatura wody wejściowej na wymienniku po stronie niskiego parametru.
63 - Temp. pow. n.p. wym. - Temperatura powrotu n.p. wymiennik (Tnp) [°C] - Aktualna temperatura wody wyjściowej na wymienniku po stronie niskiego parametru.
90 - skok wysterowania falownika pompy obiegowej n.p. [%] - Wartość programowana na funkcji 90 o jaką jest zmieniane wysterowanie falownika pompy obiegowej w trakcie regulacji. Zbyt duże wartości mogą doprowadzić do oscylacji w układzie regulacji, natomiast zbyt małe wartości spowolnią dochodzenie do stanu ustalonego.
91 - skok wysterowania falownika pompy obiegowej w.p. [%] - Funkcja 90 dla pompy poprzecznej.
97 - Stan wejść logicznych 1-4 - Na poszczególnych pozycjach wyświetlacza pokazywane są stany wejść logicznych: zwarte = "1", rozwarte = "0". Pozycje liczone są od lewej strony: na wartości wyświetlanej 97 pierwsza cyfra pokazuje stan wejścia logicznego nr 1, druga stan wejścia logicznego nr 2 itp.
98 - Stan wejść logicznych 5-8 - Funkcja 97 dla wejść 5-8
Panel wyświetlaczy nr 2, pozycja na wyświetlaczu: 1 - - - Aktualna wartość mocy, obliczona na podstawie Temperatury wyjściowej (Wartość na wyświetlaczu stałym), temperatury powrotnej (funkcja 01, i aktualnego przepływu (funkcja 30).
Panel wyświetlaczy nr 2, pozycja na wyświetlaczu: 2 - - - Wartość uzyskana przez odjęcie wartości ciśnienia wyjściowego (funkcja 14) i ciśnienia powrotu (funkcja 15).
Panel wyświetlaczy nr 2, pozycja na wyświetlaczu: 3 - - Pomiar przetwornikiem przepływu: sygnał 4..20 mA, zakres 0..500.
Panel wyświetlaczy nr 2, pozycja na wyświetlaczu: 4 - - Pomiar przetwornikiem ciśnienia. Zakres pomiarowy 0.6 MPa, sygnał 4..20 mA.
Wartości wyświetlane
| numer | opis |
| stały wyświetlacz | Temp. wyjściowa - Temperatura wody wyjściowej do sieci c.o. (Twy4) [°C] |
| nE | Wersja pamięci EPROM: 2313 |
| nP | Wersja programu technologicznego: 3002 |
| 00 | Temp. odniesienia - Zadana temperatura wody wyjściowej (Tod4) [°C] |
| 01 | Temp. powrotna - Temperatura wody powrotnej z sieci c.o. (Tpow4) [°C] |
| 02 | Wyst. fal. p. ob. - Aktualne wysterowanie falownika pompy obiegowej (imo4) [%] |
| 03 | Wysterowanie fal. pompy obiegowej z zadajnika (izo4) [%] |
| 04 | Wyst. fal. p. WP - Aktualne wysterowanie falownika pompy w.p. (imWT) [%] |
| 05 | Wysterowanie fal. pompy w.p. z zadajnika (ImWT) [%] |
| 06 | Wyst. fal. p. w.p. - Aktualne wysterowanie falownika pompy w.p. wym. (imw) [%] |
| 07 | Wysterowanie fal. pompy w.p. wym. z zadajnika (Iw4) [%] |
| 10 | zadane ciśnienie dyspozycyjne [MPa] |
| 11 | Min. ciśnienie dysp. - Minimalne ciśnienie dyspozycyjne (DPd4) [MPa] |
| 12 | Ciśnienie dysp. - Aktualne ciśnienie dyspozycyjne (DP4) [MPa] |
| 13 | Max. ciśnienie dysp. - Maksymalne ciśnienie dyspozycyjne (DPg4) [MPa] |
| 14 | Ciśnienie zasilania - Ciśnienie wody zasilającej sieć c.o. (Pza4) [MPa] |
| 15 | Ciśnienie powrotu - Ciśnienie wody powrotnej z sieci c.o. (Ppw4) [MPa] |
| 20 | Wydajność Technologia - Moc wyjściowa (Qwy4) [MW] |
| 30 | aktualny przepływ [t/h] |
| 60 | Temp. zas. w.p. wym. - Temperatura zasilania w.p. wymiennik (Twz) [°C] |
| 61 | Temp. pow. w.p. wym. - Temperatura powrotu w.p. wymiennik (Twp) [°C] |
| 62 | Temp. zas. n.p. wym. - Temperatura zasilania n.p. wymiennik (Tnz) [°C] |
| 63 | Temp. pow. n.p. wym. - Temperatura powrotu n.p. wymiennik (Tnp) [°C] |
| 90 | skok wysterowania falownika pompy obiegowej n.p. [%] |
| 91 | skok wysterowania falownika pompy obiegowej w.p. [%] |
| 97 | Stan wejść logicznych 1-4 |
| 98 | Stan wejść logicznych 5-8 |
Paczki
| numer | minimalna wartość | maksymalna wartość | domyślna wartość | opis |
| 00 | 40,0 | 130,0 | 65,0 | Temp. odniesienia - Zadana temperatura wody wyjściowej (Tod4) [°C] |
| 10 | 0,010 | 0,600 | 0,035 | zadane ciśnienie dyspozycyjne [MPa] |
Wartości stałe
| numer | minimalna wartość | maksymalna wartość | domyślna wartość | opis |
| 90 | 0,1 | 0,5 | 0,1 | skok wysterowania falownika pompy obiegowej |
| 91 | 0,1 | 0,5 | 0,1 | skok wysterowania falownika pompy poprzecznej |
Wejścia analogowe
| numer | opis |
| 01 | Ciśnienie zasilania - Ciśnienie wody zasilającej sieć c.o. (Pza4) (4..20mA) |
| 02 | Ciśnienie powrotu - Ciśnienie wody powrotnej z sieci c.o. (Ppw4) (4..20mA) |
| 03 | Ciśnienie dysp. - Aktualne ciśnienie dyspozycyjne (DP4) (4..20mA) |
| 04 | zadajnik prądowy falownika pompy wysokiego parametru wymiennikow kompaktowych (0..20mA) |
| 05 | zadajnik prądowy falownika pompy obiegowej (0..20mA) |
| 06 | zadajnik prądowy falownika pompy wysokiego parametru (0..20mA) |
| 07 | Temp. zas. w.p. wym. - Temperatura zasilania w.p. wymiennik (Twz) (0..200°C) |
| 08 | Temp. pow. w.p. wym. - Temperatura powrotu w.p. wymiennik (Twp) (0..200°C) |
| 09 | Temp. zas. n.p. wym. - Temperatura zasilania n.p. wymiennik (Tnz) (0..200°C) |
| 10 | Temp. pow. n.p. wym. - Temperatura powrotu n.p. wymiennik (Tnp) (0..200°C) |
| 11 | Temp. wyjściowa - Temperatura wody wyjściowej do sieci c.o. (Twy4) (0..200°C) |
| 12 | Temp. powrotna - Temperatura wody powrotnej z sieci c.o. (Tpow4) (0..200°C) |
Wejścia logiczne
| numer | opis |
| 01 | praca automatyczna |
| 02 | synchronizacja |
| 03 | rezerwa |
| 04 | rezerwa |
| 05 | awaria falownika pompy mieszania zimnego |
| 06 | awaria falownika pompy mieszania gorącego |
| 07 | test sygnalizacji |
| 08 | kasowanie sygnalizacji |
Wyjścia analogowe
| numer | opis |
| 01 | Wyst. fal. p. w.p. - Aktualne wysterowanie falownika pompy w.p. wym. (imw) [%] |
| 02 | Wyst. fal. p. ob. - Aktualne wysterowanie falownika pompy obiegowej (imo4) [%] |
| 03 | Wyst. fal. p. WP - Aktualne wysterowanie falownika pompy w.p. (imWT) [%] |
Wyjścia przekaźnikowe
| numer | opis |
| 01 | praca automatyczna |
| 02 | rezerwa |
| 03 | rezerwa |
| 04 | awaria falownika pompy zmieszania zimnego |
| 05 | awaria falownika pompy obiegowej |
| 06 | rezerwa |
| 07 | rezerwa |
| 08 | ciśnienie dysp. w zakresie regulacji |
| 09 | brak transmisji |
| 10 | koniec zakresu regulacji ciśnienia dyspozycyjnego |
| 11 | temperatura wyjściowa min/max |
| 12 | ciśnienie dyspozycyjne min/max |
| 13 | ciśnienie miedzykolektorowe min/max |
| 14 | rezerwa |
| 15 | rezerwa |
| 16 | buczek |
| 17 | rezerwa |
Instrukcja obsługi regulatora Z-Elektronik
Instrukcja obsługi panelu blokad
Deklaracja zgodności CE regulatora Z-Elektronik
Automatically generated by DOCGEN on 2025.09.13 03:21:14
based on /var/szarp/programy/trunk/dobremia/sterow/2313/prztwyk.c